工艺行业应用

技术原理

螺柱焊接工艺

一、螺柱焊机介绍:

  主要由螺柱焊电源和焊枪组成. 

  电弧螺柱焊的基本原理是在待焊螺柱与工件间引燃电弧,当螺柱与工件被加热到合适温度时,在外力作用下,螺柱送入工件上的焊接熔池形成焊接接头。根据焊接过程中所用焊接电源的不同,传统电弧螺柱焊可以分为普通电弧螺柱焊和电容储能电弧螺柱焊两种基本方法 

二、螺柱焊原理分析:

  螺柱焊是将金属螺柱或其他紧固件焊接在工件上的方法。实现螺柱焊接的方法有多种,如:拉弧式螺柱焊、储能式螺柱焊、电阻焊、凸焊等。与之相对应的焊机也有所不同,分别为拉弧式螺柱焊机、储能式螺柱焊机、电阻焊机、凸焊机等。 

  螺柱焊机在国内有多种非正规称法,如种焊机,植焊机,种钉机,植钉机,螺钉焊机,螺丝焊机等等,均是指螺柱焊机。 

  1、储能式螺柱焊机:

  储能式螺柱焊机采用大容量电容作为焊接能量的来源,通过可控硅精确控制放电时间,以瞬间低电压-强电流的方式将螺柱尖端迅速熔化,使螺柱和工作面间隙快速合并,将螺柱牢固的焊接在工作面上,整个过程持续约1-3ms。 

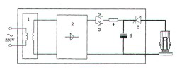
  储能式螺柱焊机的工作原理简图如下: 

                                                           
螺柱焊原理图

   储能式螺柱焊机采用220V交流电,通过变压器1降压,再通过整流桥2将交流电变为直流电,经过双向整流管3和充电电阻向电容6充电。由智能芯片精确控制可控硅5,使储能电容6瞬间释放全部电量完成整个焊接过程。 

   储能式螺柱焊机广泛运用于钣金加工、电梯制造、铝幕墙加工、电气开关柜、试验和医疗设备、食品工业、家电工业、通讯工程、工业全套炊具、办公室和银行设备、投币式督货机、玻璃幕墙结构和绝缘技术等。 

三、螺柱焊的特点:

      1.非常节省时间和成本

  所有螺柱焊的结构不用钻孔,冲孔,车螺纹,铆接,拧螺纹和精整等步骤。 

      2.不断扩展结构设计的应用潜力

  在螺柱焊时起焊接过程是短时间,大电流和较小的熔深。因此,可以焊接到很薄的板材上。对于使用陶瓷环拉弧螺柱焊和短周期拉弧螺柱焊的板厚可以到1mm。电容放电拉弧螺柱焊可以到0.6mm,而储能式螺柱可以到0.5mm。 

  螺柱焊的工件必须是从一侧焊接。 

  能在全位置焊接,借助于扩展器可以焊接到受限制的垂直隔板上。 

  由于是短时间焊接且焊后很少变形,故不需要修整。 

  因为焊接的结构不需要钻孔,故不会造成泄漏。 

  螺柱焊的接头可以达到很高的强度,即螺柱焊的接头强度大于螺柱本身强度。 

  在镀层或高合金板材焊接后,背面没有印痕。 

     3.良好的经济性

  螺柱焊相对于其他焊接方法的优点,在于焊接功率上。对于批量生产的工件,在很短的焊接时间(3-980ms)内可打到8-40个/min(根据不同直径螺柱和不同焊接功率)。而自动送料螺柱焊机可以达到60个/min的超高效率。 

  标准的螺柱是低成本的。 

  螺柱焊设备和焊枪具有多种类型,设备的购置费用相对较低。 

  根据产品,可以制成多工位自动焊机,或高精度龙门式数控自动焊机。 

  螺柱焊具有较高的质量再现率和较小的废品率。 

四、注意事项:

  螺柱焊在应用中要注意:螺柱焊也和其他熔化焊一样,对钢中的含碳量有一定限制——对于结构钢螺柱,含碳量应在0.18%以内,而母材的含碳量应在0.2%以内。 

  要根据螺柱焊的不同方法,按推荐的螺柱材料和母材组合可焊性施焊,否则螺柱和母材相互之间会有不熔性。 

  超出推荐范围以外的螺柱材料和母材组合要通过试验确定可焊性和产品设计要求进行相关检验评定可能性。

储能式螺柱焊接技术应用

  储能式螺柱焊机又被称为电容放电螺柱焊机,设备首先将预先设置好的能量额度充入电容中,随后焊接时,能量从电容中一次性全部释放出来,用于焊接,焊接时间为1-3毫秒。

  由于能量并不能源源不断地提供,所以储能式螺柱焊的焊接能力有限,一般用于焊接直径为3-10毫米的螺柱。

  一、储能式螺柱焊的特点:

 

align="center" >

 

焊接特性

产生影响

电源规格:

220V,50Hz

 使用方便,常规电源即可驱动

焊接时间:

1-3毫秒,不可调

 发热量小,穿透性差,板材几乎不变形

瞬间电流:

 可焊低碳钢冷轧板,不锈钢,铝,黄铜板材

熔池深度:

最浅

 1. 不适合在热轧钢板上焊接螺柱

 2. 在较薄的板材上焊接强度高

最小板厚:

螺柱直径的1/10

背面印痕:

最小

 适合较薄的板材焊接

 

二、焊接方式:

  储能式螺柱焊分为两种不同的焊接方式:压力式螺柱焊和提升式螺柱焊。

align="center" >

 

压力式螺柱焊

提升式螺柱焊

使用焊机:

CD66 / CD99 / CD132

使用焊枪:

接触式式螺柱焊枪

间隙式螺柱焊枪

焊接材质:

低碳钢、不锈钢、黄铜、铝

低碳钢、不锈钢、铝(强度高)

焊接时间:

2-3毫秒

1毫秒

 

三、压力式螺柱焊工艺流程:

压力式螺柱焊工艺流程较为简单:

1. 焊枪垂直于工件将螺柱紧压在工件上

2. 电容开始放电,瞬间大电流将螺柱尖端熔化,同时工件表面熔化,形成熔池

3. 在焊枪压力作用下,螺柱垂直向下浸入熔池

4. 熔池冷却,焊接完成

四、提升式螺柱焊工艺流程:

 

  提升式螺柱焊与压力式螺柱焊不同之处,在于在电容开始放电之前,焊枪先将螺柱提升一个高度,随后释放,在弹簧力作用下加速向下冲击,焊钉浸入熔池的速度更快,焊接时间更短。

  由于提升式螺柱焊的这个特性,在铝钉焊接时,可大幅减少熔池内气孔的产生,使铝钉焊接的强度更高,因此非常适合于铝钉的焊接。

拉弧式螺柱焊接技术应用

       拉弧式螺柱焊机又叫电弧式螺柱焊机, 与储能式螺柱焊不同,拉弧式螺柱焊没有向电容充电的过程,而是通过变压器/整流器降压后直接放电,其工作原理与普通电焊焊接类似。

  由于不需要预充电,电能可以源源不断地释放,所以焊接时间长短可以控制,根据设备功率不同,可焊螺柱直径范围为3-25mm。

一、拉弧式螺柱焊的特点: 

align="center" cellpadding="0" cellspacing="1" bordercolor="#FFFFFF" bgcolor="#000000" >

 

焊接特性

产生影响

电源规格:

380V,50Hz

 

焊接时间:

5-2000毫秒,可调整

 可焊螺柱直径范围更大,熔池更深

焊接电流:

根据设备功率

 

熔池深度:

较深

 1. 对板材厚度有要求

 2. 可在热轧板上焊接

 3. 焊接强度高

最小板厚:

短周期:螺柱直径的1/8

长周期:螺柱直径的1/4

背面印痕:

较深

 板材较薄时可能产生印痕或小范围变形

焊接强度:

非常高

 

 

二、焊接方式与保护方式:

  根据螺柱直径不同以及使用场合不同,拉弧式螺柱焊有不同的焊接方式以及保护方式。

  焊接方式分为“短周期螺柱焊”和“长周期螺柱焊”。

  保护方式分为“无需保护”、“气体保护”和“瓷环保护”

三、短周期螺柱焊工艺流程:

  短周期螺柱焊即焊接时间在5-100毫秒的拉弧式螺柱焊,由于焊接时间较短,所以熔池相对较浅(但比储能式螺柱焊的熔池深)。

四、短周期螺柱外形特点:

>

  短周期螺柱带有一圈法兰,这样无论在焊接处是否产生气孔,螺柱的焊接处抗拉强度,始终将大于螺柱自身的强度。

  短周期螺柱的外形与储能螺柱相似,所以也可以用储能螺柱来进行短周期螺柱焊接

  根据设备功率不同,ARC751短周期螺柱焊最大可焊M12的螺柱

  螺柱直径在6毫米及以下时,可以不采用任何保护措施。

  螺柱直径在8毫米及以上时,应采用气体保护,这样可以避免产生气孔。

五、长周期螺柱焊工艺流程:

  长周期螺柱焊的焊接时间在100毫秒以上,由于焊接时间较长,所以熔池较深,可焊螺柱直径较大,对板材表面质量要求较低,要求板的厚度较大。

六、长周期螺柱外形特点:

 

>

  由于长周期螺柱焊本身焊接熔池较深,所以螺柱本身无需法兰提高焊接强度。

  根据螺柱材质不同,低碳钢螺柱前端需镶嵌小铝球用于焊接时的引弧,而不锈钢螺柱不需要小铝球。

  由于熔池较深,气体保护对熔池的塑形能力较差,并且较易受到电弧偏吹影响,所以在焊接M12以上的螺柱时,宜采用瓷环保护焊接。

关于佩森 | 联系我们 | 产品展示 | 工艺行业应用
地  址:上海市浦东新区金桥出口加工区金豫路
100号1号楼303     联系人:付先生
电  话:18801934685   13661902873
 
电话地图短信邮件